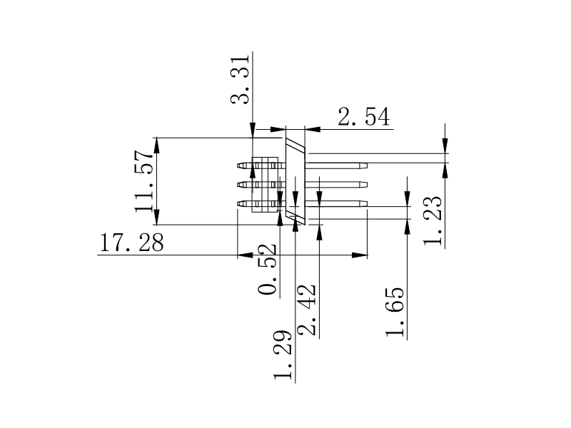
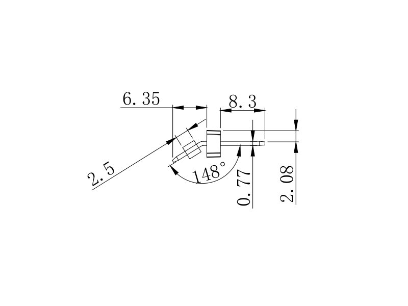
2.54mm (0.1'''
'피치 핀 헤더
specification
-materials (접촉) : 구리 합금, 금 또는 주석 (니켈 위에) 마무리
materials (하우징) : 표준 또는 고온 플라스틱, UL94V
0current : 3A Contact
maximum 전압 : 800V AC, 500V DC
contact 저항 : 30mΩ max
-insulation 저항 : 1,000mΩ min
operating 온도 :
40 ℃ ~ 105 ℃durality : 300 짝짓기 사이클 (금) 또는 50 개의 짝짓기 사이클 (주석)
다음 도면은 참조 용입니다.
우리가 필요한 디자인을 사용자 정의 할 수 있습니다. 사용자 정의 커넥터가 필요하면 문의하십시오.
Package 테이프 : 패키지의 유형 패키지는 SMT 커넥터 용이며 핀을 보호합니다 자동 어셈블리 및 픽업 처리에 대 한 변형
튜브 : 이 유형의 패키지의 유형 필요에 따라 많은 유형의 커넥터에 적합합니다.이 포장 방법은 변형에서 핀을 보호합니다. PE 가방에서
Package :이 가장 c&ommon 포장, 제품에 적합# 101; 바늘은 쉽게 변형되지 않으며, 단점은 제품 보호가 작고 이점은 비용 절감입니다.
commonly 포장, 조금 사용 블리스 터 튜브 포장과 마찬가지로 제품 스티치를 더 잘 보호 할 수 있습니다.
&#
당신이 어떤 요구 사항이있는 경우 귀하의 메시지 커넥터
39; 디자인.

이름: Haimei Liang
직위: sales manager
학과: Sales Department
회사 전화 번호: +86 0769 83450370
이메일: 연락처
휴대 전화: +86 18929181819
웹 사이트: dgwin.korb2b.com
주소: No.67,Dongshen Road,Qiaotou Town,Dongguan City,China